中华人民共和国国家标准
泡沫灭火剂
Foam extinguishing agent
GB 15308-2025
2025-08-01 发布
2026-08-01 实施
国家市场监督管理总局
国家标准化管理员会
本文件按照GB/T 1.1-2020《标准化工作导则 第1部分:标准化文件的结构和起草规则》的规定起草。
本文件代替GB 15308-2006《泡沫灭火剂》,与GB 15308-2006相比,除结构调整和编辑性改动外,主要技术变化如下:
a)增加了“分类、代号与型号规格”(见第4章);
b)删除了“比流动性”的技术要求和试验方法(见2006年版的表1、表5、表6和5.4);
c)删除了“腐蚀率”的技术要求和试验方法(见2006年版的表1、表5、表6和5.7);
d)删除了“中、高倍泡沫液析液时间”的技术要求和试验方法见2006年版的表5、表6和5.9.1.3d)~g)、5.9.2.3 d)~f)];
e)删除了“灭火器用泡沫灭火剂”的技术要求(见2006年版的4.2.4和5.10.9);
f)更改了“凝固点”的试验方法(见6.2,2006年版的5.2.3);
g)增加了“黏度”的技术要求和试验方法(见表2、表5和6.5);
h)更改了“pH”的技术要求(见表2和表5,2006年版的表1、表5和表6);
i)更改了“灭火性能”的技术要求和试验方法(见表3、表4和6.10,2006年版的表2、表3和5.10);
j)更改了“中、高倍泡沫液发泡倍数”的技术要求(见表5,2006年版的表5和表6);
k)删除了“不合格类型”的要求(见2006年版的表1、表2、表5、表6、表8)。
请注意本文件的某些内容可能涉及专利。本文件的发布机构不承担识别专利的责任。
本文件由国家消防救援局提出并归口。
本文件及其所代替文件的历次版本发布情况为:
——1994年首次发布为GB 15308-1994,2006年第一次修订;
——本次为第二次修订。
2 规范性引用文件
下列文件中的内容通过文中的规范性引用而构成本文件必不可少的条款。其中,注日期的引用文件,仅该日期对应的版本适用于本文件;不注日期的引用文件,其最新版本(包括所有的修改单)适用于本文件。
GB/T 6003.1 试验筛 技术要求和检验 第1部分:金属丝编织网试验筛
GB/T 6026 工业用丙酮
GB/T 6682 分析实验室用水规格和试验方法
GB/T 9969 工业产品使用说明书 总则
GB/T 21059 塑料 液态或乳液态或分散体系聚合物/树脂 用旋转黏度计在规定剪切速率下黏度的测定
GB/T 30515 透明和不透明液体石油产品运动黏度测定法及动力黏度计算法
GB/T 36911 运输包装指南
3 术语和定义
下列术语和定义适用于本文件。
3.1 特征值 characteristic values
由生产者提供的泡沫液和泡沫溶液的物理、化学性能值。
3.2 25%析液时间 25% drainage time
自泡沫中析出其质量25%的液体所需要的时间。
3.3 发泡倍数 expansion
泡沫体积与构成该泡沫的泡沫溶液体积的比值。
3.4 低倍泡沫液 low expansion foam concentrate
发泡倍数为1~20的泡沫液。
3.5 中倍泡沫液 medium expansion foam concentrate
发泡倍数为21~200的泡沫液。
3.6 高倍泡沫液 high expansion foam concentrate
发泡倍数大于200的泡沫液。
3.7 泡沫 foam
由泡沫溶液形成的充满空气的气泡集合。
注:泡沫也称为灭火泡沫。
3.8 泡沫液 foam concentrate
按适宜的浓度与水混合形成泡沫溶液的浓缩液体。
注:泡沫液也称为泡沫浓缩液。
3.9 泡沫溶液 foam solution
由泡沫液与水按规定浓度配制成的溶液。
注:泡沫溶液也称为泡沫混合液。
3.10 蛋白泡沫液 protein foam concentrate
由含蛋白的原料经部分水解制得的泡沫液。
3.11 氟蛋白泡沫液 fluoroprotein foam concentrate
添加氟碳表面活性剂的蛋白泡沫液。
3.12 合成泡沫液 synthetic foam concentrate
以表面活性剂的混合物和稳定剂为基料制成的泡沫液。
3.13 抗溶泡沫液 alcohol-resistant foam concentrate
所产生的泡沫施放到醇类或其他极性溶剂表面时,能抵抗其对泡沫破坏性的泡沫液。
注:抗溶泡沫液也称为抗醇泡沫液。
3.14 水成膜泡沫液 aqueous film-forming foam concentrate
以碳氢表面活性剂和氟碳表面活性剂为基料的泡沫液。
注:能在某些烃类表面上形成一层水膜。
3.15 成膜氟蛋白泡沫液 film-forming fluoroprotein foam concentrate
能在某些烃类表面形成一层水膜的氟蛋白泡沫液。
3.16 强施放 forceful application
将泡沫直接施放到液体燃料表面上的供泡方式。
3.17 缓施放 gentle application
通过挡板、罐壁或其他表面间接地将泡沫施放到液体燃料表面上的供泡方式。
3.18 沉淀物 sediment
泡沫液中的不溶性固体物质。
3.19 扩散系数 spreading coefficient
衡量一种液体在另一种液体表面上自由铺展的能力。
3.20 最低使用温度 lowest temperature for use
高于凝固点5℃的温度。
4 分类、代号与型号规格
4.1 分类及代号
泡沫液主要分类及代号见表1。

4.2 型号规格
泡沫灭火剂型号规格编制方法如下:

示例1:3%(P、-10℃)表示混合比为3%,凝固点为-10℃,适用于淡水的蛋白泡沫灭火剂。
示例2:6%(AFFF、-15℃)-耐海水 表示混合比为6%,凝固点为-15℃,适用于淡水和海水的水成膜泡沫灭火剂。
5 要求
5.1 一般要求
5.1.1 如果泡沫液适用于海水,用海水配制泡沫溶液的浓度应与用淡水配制泡沫溶液的浓度相同。
5.1.2 泡沫液的原材料和生产工艺,应满足对人身健康、安全以及环境保护的要求。
5.1.3 型号规格不同或生产工艺不同的泡沫液,不应在灌装灭火器、消防车和灭火系统时及灭火设备维修时混合使用。
5.2 技术要求
5.2.1 低倍泡沫液
5.2.1.1 低倍泡沫液或泡沫溶液的物理、化学性能应符合表2的要求。

5.2.1.2 低倍泡沫液对非水溶性液体燃料的灭火性能应符合表3和表4的要求。






5.2.2 中、高倍泡沫液
中、高倍泡沫液或泡沫溶液的性能应符合表5的要求。


5.2.3 抗溶性泡沫液
5.2.3.1 抗溶性泡沫液的物理、化学性能应符合表2的要求。
5.2.3.2 对非水溶性液体燃料的灭火性能应符合表3和表4的要求。
5.2.3.3 对水溶性液体燃料的灭火性能应符合表6和表7的要求。



5.2.4 温度敏感性判定
出现表8所列情况之一时,该泡沫液即被判定为温度敏感性泡沫液。

6 试验方法
6.1 取样和温度处理
6.1.1 取样
无论从一个容器中还是从多个容器中取样,都应搅拌均匀。将样品充满储存容器并密封。
6.1.2 温度处理
泡沫液应按照如下步骤进行温度处理:
a)如果生产者声明样品不受冻结融化影响,样品应先按6.3进行4个冻结融化循环,然后再按6.1.2 b)进行处理;
b)将密封于容器中的样品放置在(60±2)℃的环境中7d,然后在(20±5)℃的环境中放置1d;
c)如果生产者声明样品受冻结融化影响,只按6.1.2 b)对样品进行处理。
6.2 凝固点
6.2.1 仪器设备
试验仪器设备应满足下列要求:
a)凝固点测试设备:控温精度±1℃;
b)铂电阻:T100,精度±0.1℃,外径为5.0mm;
c)数字式温度显示仪表:分辨率为0.1℃。
6.2.2 试验步骤
泡沫液应按照如下步骤进行凝固点试验:
a)开启凝固点测试设备,使冷室的温度稳定在低于样品凝固点(10±1)℃;
b)将样品注入干燥、洁净的内管中,使液面高度约为50mm;
c)用软木塞或胶塞将铂电阻固定在内管中央,铂电阻的下端距样品液面10mm;
d)将装有样品的内管置于外管中,内管底部至外管底部的距离不大于10mm,然后将外管放入冷室,外管进入冷室的深度不小于100mm;
e)开始试验,设备自动记录温度一时间曲线;
f)待样品完全凝固,读取曲线平台处温度为凝固点;
g)重复试验,取差值不超过1℃的两次试验结果中较高的值作为测定结果。
6.3 抗冻结、融化性
6.3.1 仪器设备
低温箱:能达到6.3.2b)的温度要求。
6.3.2 试验步骤
泡沫液应按照如下步骤进行抗冻结、融化性试验:
a)按6.2.2测定样品的凝固点;
b)将低温箱温度调到低于样品凝固点(10±1)℃;
c)将符合6.1.1要求的样品装入塑料或玻璃容器,密封放入低温箱,在6.3.2b)规定的温度下保持24h,冷冻结束后,取出样品,在(20±5)℃的室温下放置(24~96)h。再重复3次,进行4个冻结融化周期处理;
d)观察样品有无分层和非均相现象。
6.4 沉淀物
6.4.1 仪器设备
试验仪器设备应满足下列要求:
a)电动离心机:离心加速度为(6000±600)m/s²;
b)刻度离心试管:容量50mL,最小分度值0.1mL;
c)筛子:符合GB/T 6003.1的要求,孔径180μm;
d)电热鼓风干燥箱:控温精度±2℃;
e)秒表:分度值0.1s。
6.4.2 取样
取两个样品,一个直接试验,另一个经老化试验并冷却后再进行试验。
老化条件:将样品密封于(60±3)℃温度下保持(24±2)h,然后冷却至室温。
6.4.3 试验步骤
泡沫液应按照如下步骤进行沉淀物试验:
a)将每个样品分装于两个50mL刻度离心试管,对称放入离心机,在(6000±600)m/s²的条件下离心(10±1)min;
b)取出刻度离心试管,读取沉淀物体积并换算成体积分数;取两个试管读数的平均值作为测定结果;
c)用洗瓶将沉淀物冲洗到筛网上,观察沉淀物是否能全部通过筛网;
d)重复试验,取两次试验结果的平均值作为测定结果。
6.5 黏度
6.5.1 牛顿型泡沫液
牛顿型泡沫液的黏度按照GB/T 30515规定的方法测定,试验温度为泡沫液的最低使用温度。

6.5.2 假塑型泡沫液
6.5.2.1 仪器设备
试验仪器设备应满足下列要求。
a)旋转黏度计,按照GB/T 21059规定,旋转黏度计应符合如下参数:
——最大剪切应力≥75Pa;
——最大剪切速率≥600s-1。
b)在试验过程中应确保样品温度保持在规定温度±1℃范围内。
6.5.2.2 试验温度
试验温度为泡沫液的最低使用温度。
6.5.2.3 试验步骤
若样品含有悬浮气泡,应先将样品放入6.4.1a)规定的电动离心机中做10min离心试验,然后再进行黏度测试。
泡沫液应按照如下步骤进行黏度试验:
a)调整温控设备至试验温度;
b)放置样品并最少等待10min(无剪切情况下)达到温度平衡;
c)在剪切速率为600s-1情况下进行1min预剪切;
d)在无剪切情况下静待1 min;
e)在剪切速率为0s-1~600s-1范围内,选择75s-1、150s-1、225s-1、300s-1、375s-1、450s-1、525s-1、600s-18个剪切速率,每个剪切速率下测量剪切应力10s,按公式(1)计算表观黏度V。

式中:
V——表观黏度,单位为毫帕秒(mPa·s);
S1——剪切应力,单位为帕斯卡(Pa);
S2——剪切速率,单位为每秒(s-1)。
6.6 pH
6.6.1 仪器设备和试剂
试验仪器设备和试剂应满足下列要求:
a)酸度计:精度0.01pH;
b)温度计:分度值1.0℃;
c)pH缓冲剂。
6.6.2 试验步骤
泡沫液应按照如下步骤进行pH试验:
a)用pH缓冲剂校准酸度计;
b)将样品注入干燥、洁净的烧杯中,将电极浸入泡沫液中30mm(电极不能接触烧杯底部),在(20±2)℃条件下测定pH;
c)重复试验,取两次试验平均值为测定结果,两次试验结果之差不大于0.1pH。
6.7 表面张力、界面张力及扩散系数
6.7.1 仪器设备和试剂
试验仪器设备和试剂应满足下列要求。
a)表面张力仪:分度值0.1mN/m。
b)温度计:分度值1.0℃。
c)量筒:100mL,分度值1mL;10mL,分度值0.1mL。
d)环已烷:纯度不小于99%。
6.7.2 试验步骤
6.7.2.1 表面张力
泡沫液应按照如下步骤进行表面张力试验:
a)用三级水(符合GB/T 6682要求)按生产者声明的浓度将泡沫液配制成泡沫溶液;
b)在泡沫溶液温度为(20±1)℃条件下,测定表面张力;
c)重复试验,取两次试验平均值为测定结果。
6.7.2.2 界面张力
测完表面张力后,在泡沫溶液上加(5~7)mm厚、(20±1)℃的环已烷,等待(6±1)min后,测定界面张力。
6.7.2.3 扩散系数的计算
按公式(2)计算泡沫溶液与环己烷之间的扩散系数。

式中:
S——扩散系数,单位为毫牛每米(mN/m);
γc——环已烷的表面张力,单位为毫牛每米(mN/m);
γf——泡沫溶液的表面张力,单位为毫牛每米(mN/m);
γi——泡沫溶液与环已烷之间的界面张力,单位为毫牛每米(mN/m)。
6.8 低倍泡沫液的发泡倍数和25%析液时间
6.8.1 仪器设备
试验仪器设备应满足下列要求:
a)泡沫产生系统:安装示意图见图1;
b)低倍泡沫枪(安装示意图见图2):当用水标定时,在(0.63±0.03)MPa压力下,水流量为(11.4±0.4)L/min;
c)低倍泡沫收集器(安装示意图见图3):泡沫收集器表面采用不锈钢、铝、黄铜或塑料材料制作;
d)低倍泡沫析液测定器(安装示意图见图4):塑料或黄铜制作,用水标定泡沫接收罐的容积,精确至1mL;
e)温度计:分度值1℃;



f)量筒:分度值10mL;
g)天平:精度±0.5g;
h)秒表:分度值0.1s。




6.8.2 温度条件
试验在下述条件下进行:
——环境温度:(15~25)℃;
——泡沫温度:(15~20)℃。
6.8.3 试验步骤
低倍泡沫液应按照如下步骤进行发泡倍数和25%析液时间试验。
a)按照生产者声明的浓度用淡水将泡沫液配制成泡沫溶液,若泡沫液适用于海水,则用符合6.10.3的海水配制泡沫溶液,控制泡沫溶液的温度,使产生的泡沫温度在(15~20)℃范围内。
b)启动空气压缩机,调节泡沫枪入口压力为(0.63=0.03)MPa,确保泡沫枪的流量(11.4±0.4)L/min。
c)用水润湿析液测定器的内壁后擦净并称重(m1)。
d)将泡沫枪水平放置在泡沫收集器前,使泡沫枪前端至泡沫收集器顶沿距离为(2.5=0.3)m,喷射泡沫并调节泡沫枪的高度,使泡沫打在泡沫收集器中心。经过(30±5)s的喷射达到稳定后,用析液测定器接收泡沫,同时启动秒表,刮平并擦去析液测定器外溢泡沫,称重(m2),按公式(3)计算25%析液质量(m3):

式中:
m1——析液测定器的质量,单位为克(g);
m2——析液测定器充满泡沫时的质量,单位为克(g);
m3——25%析液的质量,单位为克(g)。
e)取下析液测定器的析液接收罐,放在天平上,同时将泡沫接收罐放在支架上,注意保持析液中不含泡沫,当析出液体的质量为m3时卡停秒表,记录25%析液时间。
f)发泡倍数按公式(4)计算:

式中:
E——发泡倍数;
ρ——泡沫溶液的密度,单位为克每毫升(g/mL),取ρ=1.0g/mL;
V——泡沫接收罐的容积,单位为毫升(mL)。
6.9 中、高倍泡沫液的发泡倍数
6.9.1 中倍泡沫液
6.9.1.1 仪器设备
试验仪器设备应满足下列要求。
a)中倍泡沫收集器[示意图见图5a)];容积V为200L,容积精度为±2L,底部有9个排液孔[示意图见图5c)],可采用不锈钢、塑料等材料制作。
b)泡沫产生系统(安装示意图见图1):带有标准中倍泡沫产生器(安装示意图见图6)。当中倍泡沫产生器用水标定时,在(0.5±0.01)MPa压力下,水流量为(3.25±0.15)L/min。
c)量筒:分度值10mL。
d)温度计:分度值1℃。
e)秒表:分度值0.1s。
f)台秤:精度0.01kg。
6.9.1.2 温度条件
试验在下述条件下进行:
——环境温度:(15~25)℃;
——泡沫溶液温度:(15~20)℃。


6.9.1.3 试验步骤
中倍泡沫液应按照如下步骤进行发泡倍数试验。
a)按照生产者声明的浓度用淡水将泡沫液配制成泡沫溶液,若泡沫液适用于海水,则用符合6.10.3的海水配制泡沫溶液,控制泡沫溶液的温度,使产生的泡沫温度在(15~20)℃范围内。
b)用胶带封堵泡沫收集器底部的排液孔。润湿泡沫收集器内壁并擦净后称重(m4)。启动泡沫产生系统,调节泡沫产生器入口压力为(0.5±0.01)MPa,流速为3.1L/min~3.4L/min。
c)收集泡沫于收集器中。当收集器完全充满泡沫时,停止收集泡沫,并且沿泡沫收集器上沿刮平泡沫。称量此时收集器质量(m5)。按公式(5)计算发泡倍数E。

式中:
E——发泡倍数;
ρ——泡沫溶液的密度,单位为千克每升(kg/L),取ρ=1.0 kg/L;
V——泡沫收集器容积,单位为升(L);
m4——泡沫收集器质量,单位为千克(kg);
m5——泡沫收集器充满泡沫时的质量,单位为千克(kg)
6.9.2 高倍泡沫液
6.9.2.1 仪器设备
试验仪器设备应满足下列要求。
a)高倍泡沫收集器:[示意图见图5b)],容积V为500L,容积精度为±5L,底部有9个排液孔[示意图见图5c)]。可采用不锈钢、塑料等材料制作。
b)泡沫产生系统(安装示意图见图1):带有标准高倍泡沫产生器(安装示意图见图7)。当高倍泡沫产生器用水标定时,在(0.5±0.01)MPa压力下,水流量为(6.1±0.1)L/min。
c)量筒:分度值10mL。
d)温度计:分度值1℃。
e)秒表:分度值0.1s。
f)台秤:精度0.01kg。

6.9.2.2 温度条件
试验在下述条件下进行:
——环境温度:(15~25)℃。
——泡沫溶液温度:(15~20)℃。
6.9.2.3 试验步骤
高倍泡沫液应按照如下步骤进行发泡倍数试验。
a)按照生产者声明的浓度用淡水将泡沫液配制成泡沫溶液,若泡沫液适用于海水,则用符合6.10.3的海水配制泡沫溶液,控制泡沫溶液的温度,使产生的泡沫温度在(15~20)℃范围内。
b)用胶带封堵泡沫收集器底部的排液孔。润湿泡沫收集器内壁并擦净后称重(m4)。启动泡沫产生系统,调节泡沫产生器入口压力为(0.5±0.01)MPa。
c)收集泡沫于收集器中。当收集器完全充满泡沫时,停止收集泡沫,并且沿泡沫收集器上沿刮平泡沫。称量此时收集器质量(m5)。按公式(5)计算发泡倍数。
6.10 灭火性能
6.10.1 试验序列
泡沫液灭火性能试验序列应符合下列要求。
a)对不适用于海水的泡沫液,使用淡水配制泡沫溶液并按生产者声明的灭火级别进行三次试验,两次成功即为合格。如果前两次试验全部成功或失败,免做第三次试验。
b)对适用于海水的泡沫液,前两次试验中,第一次试验用淡水配制泡沫溶液,第二次试验用符合6.10.3的海水配制泡沫溶液。如果两次试验全部成功或全部失败,则终止试验;若两次试验有一次失败,则重复该试验,重复试验仍失败,则终止试验。重复试验成功,则进行第二次重复试验,无论第二次重复试验成功或失败,则终止试验。泡沫液灭火性能成功的条件是下述情况之一:
-前两次试验都成功;
-前两次试验只有一次成功且两次重复试验都成功。
6.10.2 试验条件
试验应满足下列条件:
a)环境温度:(10~30)℃;
b)泡沫温度:(15~20)℃;
c)燃料温度:(10~30)℃;
d)风速:不大于3m/s(接近油盘处)。
6.10.3 泡沫溶液的配制
按照生产者声明的浓度用淡水将泡沫液配制成泡沫溶液。若泡沫液适用于海水,还应用人工海水配制泡沫溶液。配制浓度与淡水相同。
人工海水由下列组分构成(配制人工海水用的化学试剂均为化学纯):
在1L淡水中加入:
——25.0g氯化钠(NaCl);
——11.0g氯化镁(MgCl2·6H2O);
——1.6g氯化钙(CaCl2·2H2O);
——4.0g硫酸钠(Na2SO4)。
6.10.4 记录
试验过程中记录下列参数:
a)室内或室外;
b)环境温度;
c)泡沫温度;
d)风速;
e)90%控火时间;
f)99%控火时间;
g)灭火时间;
h)25%抗烧时间;
i)1%抗烧时间(适用于中倍泡沫液)。
6.10.5 低倍泡沫液灭非水溶性液体燃料火试验
6.10.5.1 缓施放灭火试验
6.10.5.1.1 仪器设备和材料
试验仪器设备和材料应满足下列要求。
a)钢质油盘:面积为约4.52㎡,内径(2400±25)mm,深度(200±15)mm,壁厚2.5mm。
b)钢质挡板:长(1000±50)mm,高(1000±50)mm。
c)泡沫产生系统和泡沫枪:同6.8.1a)和6.8.1b)。
d)钢质抗烧罐:内径(300±5)mm,深度(250±5)mm,壁厚2.5mm。
e)风速仪:精度0.1m/s。
f)秒表:分度值0.1s。
g)燃料:正庚烷,物理性能符合下列要求:蒸馏范围:84°℃~105℃,初始沸点与最终沸点之间的最大差值:10℃,最大芳烃含量:1%(质量分数),15℃时的密度:(700±20)kg/m³。
6.10.5.1.2 试验步骤
试验应按照如下步骤进行:
a)将油盘放在地面上并保持水平,使油盘在泡沫枪的下风向,加入90L淡水将盘底全部覆盖;
b)泡沫枪水平放置并高出燃料面(1±0.05)m,使泡沫射流的中心打到挡板中心轴线上并高出燃料面(0.5±0.1)m;
c)在油盘中加入(144±5)L燃料,使燃料液面至油盘壁顶高度为150mm左右,在施加燃料后(3~5)min内点燃燃料,预燃(60±2)s;
d)供泡(300±2)s,记录供泡开始至所有火焰被扑灭的时间为灭火时间;
e)对于做强施放且灭火成功,却没达到抗烧水平A级的泡沫液,在缓施放时不要求完全熄灭火焰;对于灭火性能级别为山级的泡沫液,在供泡结束时没有扑灭火焰,则终止本次试验;
f)停止供泡后,等待(300±10)s,将装有(2±0.1)L燃料的抗烧罐置于油盘中央并点燃,记录自点燃抗烧罐至油盘25%的燃料面积被引燃的时间为25%抗烧时间。
6.10.5.2 强施放灭火试验
6.10.5.2.1 仪器设备和材料
试验仪器设备和材料除油盘不带钢质挡板外,其他同6.10.5.1.1。
6.10.5.2.2 试验步骤
试验应按照如下步骤进行:
a)将油盘放在地面上并保持水平,使油盘在泡沫枪的下风向,泡沫枪的位置使泡沫的中心射流落在距远端盘壁(1±0.1)m处的燃料表面上;
b)加入6.10.5.1.2 a)规定数量的淡水和6.10.5.1.2c)规定数量的燃料,燃料在(3~5)min内点燃,预燃(60±2)s后开始供泡;
c)供泡(180±2)s;
d)如果火焰被完全扑灭,则记录灭火时间;如果火焰仍未被扑灭,等待观察残焰是否全部熄灭并记录灭火时间;
e)停止供泡后,等待(300±10)s,将装有(2±0.1)L燃料的抗烧罐置于油盘中心并点燃,记录25%抗烧时间。
6.10.6 中倍泡沫液
6.10.6.1 仪器设备和材料
试验仪器设备和材料应满足下列要求。
a)钢质油盘:面积约1.73㎡,直径(1480±15)mm,深度(150±10)mm,壁厚2.5mm。
b)泡沫产生系统:同6.9.1.1 b)。
c)钢质抗烧罐:直径(150±5)mm,高(150±5)mm,壁厚2.5mm,带一个支架能使其直接挂在油盘的边缘的外侧。
d)风速仪:精度0.1m/s。
e)温度计:分度值1℃。
f)秒表:分度值0.1s。
g)燃料:正庚烷,物理性能符合下列要求:蒸馏范围:84℃~105℃,初始沸点与最终沸点之间的最大差值:10℃,最大芳烃含量:1%(质量分数),15℃时的密度:(700±20)kg/m³。
6.10.6.2 试验步骤
试验应按照如下步骤进行。
a)将油盘放置在地面上并保持水平。加入30L水及(55±2)L燃料,使燃料液面至油盘壁顶高度为100mm左右。将装有(0.9±0.1)L燃料的抗烧罐挂在油盘的下风侧,在施加燃料后(3~5)min内点燃燃料。当整个燃料表面布满火焰不少于45s后,将中倍泡沫产生器水平放置在油盘上风侧(试验示意图见图8)。
b)当预燃时间达到(60±2)s,开始供泡。供泡时间(120±2)s。
c)记录从开始供泡至火焰熄灭的时间间隔即为灭火时间。
d)供泡结束后,抗烧罐内火焰应继续燃烧,直到油盘内泡沫层上出现悬浮火焰,记录该时间间隔为1%抗烧时间。
e)如果在供泡过程中由于泡沫外溢而使抗烧罐内火焰熄灭,应立即重新点燃。

6.10.7 高倍泡沫液
6.10.7.1 仪器设备和材料
试验仪器设备和材料应满足下列要求:
a)泡沫产生系统:同6.9.2.1 b);
b)钢质油盘、风速仪、温度计、秒表及燃料同6.10.6.1;
c)泡沫拦网:由0.021mm(5目)不锈钢网构成,按图9布置。

6.10.7.2 试验步骤
试验应按照如下步骤进行。
a)将油盘放置在地面上并保持水平。加入30L水及(55±2)L燃料,使燃料液面至油盘壁顶高度为100mm。在油盘周围布置泡沫拦网和高倍泡沫产生器,高倍泡沫产生器水平放置在油盘上风侧。在施加燃料后(3~5)min内点燃燃料。当整个燃料表面布满火焰不少于45s后,在距油盘一定距离处打开泡沫产生器,产生泡沫(试验示意图见图9)。
b)当预燃时间达到(60±2)s,将泡沫产生器对准拦网开口,开始供泡。供泡时间(120±2)s;
c)记录从开始供泡至火焰熄灭的时间间隔即为灭火时间。
6.10.8 抗溶性泡沫液
6.10.8.1 灭非水溶性液体燃料火试验
试验应按6.10.5进行。
6.10.8.2 灭水溶性液体燃料火试验
6.10.8.2.1 仪器设备和材料
试验仪器设备和材料应满足下列要求:
a)钢质油盘:面积1.73㎡,内径(1480±15)mm,深度(150±10)mm,壁厚2.5mm;
b)钢质挡板:高(1000±50)mm,宽(1000±50)mm,壁厚2.5mm;
c)钢质抗烧罐:内径(300±5)mm,深度(250±5)mm,壁厚2.5mm;
d)燃料:纯度不小于99%的工业丙酮(符合GB/T 6026,不低于一等品);
e)泡沫产生系统和泡沫枪、风速仪、秒表同6.10.5.1.1。
6.10.8.2.2 试验步骤
试验应按照如下步骤进行:
a)将油盘放在地面上并保持水平,使油盘在泡沫枪的下风向;
b)将泡沫枪水平放置并高出燃料面(1±0.05)m,使泡沫射流的中心打到挡板中心轴并高出燃料面(0.5±0.1)m;
c)加入(125±5)L燃料,在施加燃料后(3~5)min内点燃燃料,预燃(120±2)s,开始供泡;
d)供泡(180±2)s(灭火性能级别为1级的泡沫液)或(300±2)s(灭火性能级别为Ⅱ级的泡沫液),记录灭火时间;
e)停止供泡,等待(300±10)s,将装有(2±0.1)L燃料的抗烧罐放在油盘中央并点燃;记录25%抗烧时间。
7 检验规则
7.1 批、组
一次投料于加工设备中制得的均匀产品为一批。
用相同的主要原材料和相同工艺生产的一批或多批(不超过250t)产品为一组。
7.2 取样
取样应有代表性,应保证样品与总体的一致。对于桶装产品,取样前应将桶中的产品摇匀;对于罐装产品,可从罐的上、中、下三个部位各取三分之一样品,混匀后作为样品。每项性能测试前再次取样时,应将样品摇匀。
7.3 出厂检验
每批产品的出厂检验项目至少应包括:温度处理前样品的凝固点、pH、沉淀物(适用时)、扩散系数(适用时)、发泡倍数、25%析液时间(适用时)。
每组产品的出厂检验项目至少应包括:温度处理前样品的凝固点、pH、沉淀物(适用时)、扩散系数(适用时)、发泡倍数、25%析液时间(适用时)和灭火性能(在正常生产过程中对泡沫液的灭火性能进行质量控制的小型灭火试验方法见附录A)。
7.4 型式检验
型式检验项目为5.2规定的全部适用项目,其中灭火性能检验应使用温度处理后样品进行。
有下列情况之一时,应进行产品型式检验:
a)新产品或老产品转厂生产的试制定型鉴定;
b)产品的设计、关键原材料、生产工艺、生产条件等发生改变,可能影响产品质量;
c)产品标准规定的技术要求发生变化;
d)停产一年及以上恢复生产;
e)产品质量监管部门提出进行型式检验要求;
f)其他通过型式检验才能证明产品质量的情况。
7.5 检验结果判定
7.5.1 出厂检验结果判定
出厂检验结果应符合5.2规定的相应技术要求,如有一项不符合本文件要求,则判定为不合格产品。
7.5.2 型式检验结果判定
型式检验结果应符合5.2规定的全部技术要求,如有一项不符合本文件要求,则判定为型式检验不合格。






8 包装、运输、标志、储存、使用说明书
8.1 包装、运输
泡沫液的包装见附录B。
泡沫液的运输应符合GB/T 36911的有关规定。
8.2 标志
泡沫液包装容器上应清晰地注明以下内容:
a)产品名称、型号规格;
b)是否受冻结、融化影响;
c)适用水质;
d)灭火性能级别和抗烧水平;
e)泡沫液的容积(净重)、生产批号、生产日期及依据标准编号;
f)生产者和/或生产企业名称、地址和联系电话;
g)警示用语(应包括:储存温度及储存条件、人体接触后可能引起的有害生理反应及救援措施等)。
标志应牢固地设置在包装容器两个侧立面的中间位置,其中25L包装容器的标志应设置在容器注液口相邻两侧立面的中间位置;200L包装容器的标志应设置在容器两个相对柱面的中间位置;1000L包装容器的标志应设置在容器两个相对侧立面的中间位置。
8.3 储存
泡沫液应在通风阴凉处储存,避免暴晒。储存温度应低于45℃并高于其最低使用温度。在满足储存条件的情况下,泡沫液的最低储存期为2年,超过储存期的产品,应定期进行试验以确定产品是否有效,试验项目应包括灭火性能。
8.4 使用说明书
应附有符合GB/T 9969有关规定的使用说明书。
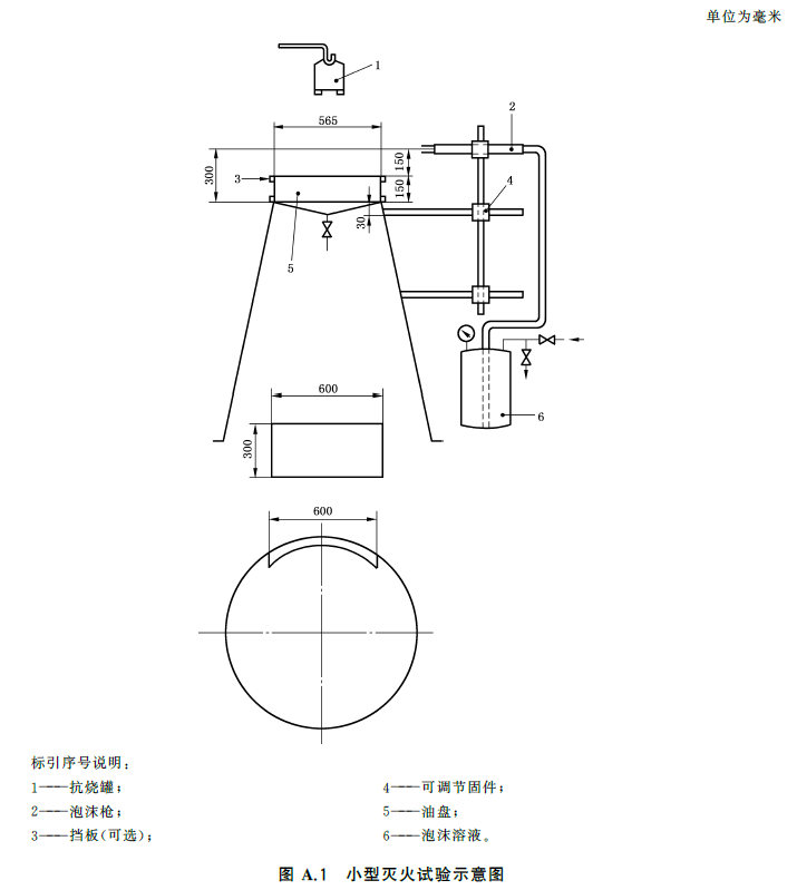
附录A(资料性) 用于灭火性能质量控制的小型灭火试验
A.1 概述
本附录采用的泡沫枪与6.8.1b)采用的标准泡沫枪不同,产生的泡沫也不同,因此,使用两种泡沫枪得到的发泡倍数、析液时间以及灭火性能不能直接比较。本附录提供的试验方法适用于在正常生产过程中对泡沫液的灭火性能稳定性进行质量控制,不可代替6.10规定的试验方法。
A.2 灭火试验
A.2.1 仪器设备和材料
试验仪器设备和材料满足下列要求。
a)钢质油盘:面积约0.25㎡,内径(565±5)mm,深度(150±5)mm,锥底高度(30±5)mm,壁厚(2.5±0.2)mm,在锥形底部中心设有一个带阀的排水孔(示意图见图A.1),油盘用四腿支撑的钢支架固定在距地面1m的位置。油盘通常放在排烟罩以下,能及时排烟而不会影响灭火试验。
b)钢质抗烧罐:内径(120±2)mm,深度(80±2)mm,壁厚(2.5±0.2)mm,有外翻边,底部有4个钉子,总高度为(96±2)mm(见图A.1),抗烧罐边缘固定有挑钩,以便能用金属棍提起抗烧罐。
c)泡沫枪:安装示意图见图A.2,其各部件示意图见图A.3~图A.11,在(0.70±0.03) MPa
的压力下用水测定的流量应为(5.0±0.1)L/min。安装可调节的套环,使泡沫从泡沫枪的喷嘴边以不同的流速通过出口喷射。泡沫流速也可通过调整提供给泡沫液的压力来控制。
d)钢质挡板:高300mm,宽600mm,厚2.5mm。
e)燃料:非水溶性液体燃料为正庚烷,物理性能符合下列要求:蒸馏范围:84℃~105℃,初始沸点与最终沸点之间的最大差值:10℃,最大芳烃含量:1%(质量分数),15℃时的密度:(700±20)kg/m³,水溶性液体燃料为纯度不小于99%的工业丙酮(符合GB/T 6026要求,不低于一等品)。
A.2.2 试验条件
试验满足下列条件:
——环境温度(10~30)℃;
——燃料温度(10~30)℃;
——泡沫温度(15~20)℃。
A.2.3 泡沫溶液的配制
按照生产者声明的使用浓度和适用水质(同6.10.3)配制泡沫溶液。
A.2.4 记录
试验过程中记录下列参数:
a)室内或室外;
b)环境温度;
c)泡沫温度;
d)90%控火时间;
e)99%控火时间;
f)灭火时间;
g)抗烧时间。
A.2.5 试验步骤
A.2.5.1 非水溶性液体燃料灭火试验
试验按照如下步骤进行:
a)将泡沫枪水平放置并高出油盘顶部(150±5)mm(示意图见图A.1),使泡沫喷射到油盘中央;
b)通过调整套环并设定泡沫枪压力至(0.70±0.03)MPa,使泡沫溶液流量达到(0.75±0.025)kg/min,根据需要调整泡沫枪压力,用容器收集泡沫6s并称重,以确定泡沫溶液流量满足上述要求;
c)在油盘内放置(9±0.1)L燃料,在抗烧罐内放(0.3±0.01)L燃料;
d)在施加燃料(120±2)s后,点燃燃料预燃(60±2)s,开始供泡;
e)施加泡沫(120±2)s至油盘中央,记录自开始供泡至90%控火、99%控火及全部灭火的时间;
f)结束供泡时,点燃抗烧罐中的燃料,停止供泡后(60±2)s,用金属棍将抗烧罐位置调低至油盘中央,避免泡沫溅入抗烧罐中,记录抗烧罐放置到油盘中央至持续火焰布满整个油盘的时间即为抗烧时间。
A.2.5.2 水溶性液体燃料灭火试验
试验按照如下步骤进行;
a)将泡沫枪水平放置并高出油盘顶部(150±5)mm(示意图见图A.1),调整距离使泡沫喷射到挡板中央;
b)通过调整套环并设定泡沫枪压力至(0.70±0.03)MPa,使泡沫溶液流量达到(1.625±0.025)kg/min,根据需要调整泡沫枪压力,用容器收集泡沫6s并称重,以确定泡沫溶液流量满足上述要求;
c)在油盘内放置(9±0.1)L燃料,在抗烧罐内放(0.3±0.01)L燃料;
d)在施加燃料(120±2)s后,点燃燃料预燃(120±2)s,开始供泡;
e)施加泡沫(120±2)s至挡板中央,记录自开始供泡至90%控火、99%控火及全部灭火的时间,如果施加泡沫(120±2)s内不能完全灭火,再继续施加泡沫(120±2)s;
f)结束供泡时,点燃抗烧罐中的燃料,停止供泡后(60±2)s,用金属棍将抗烧罐位置调低至油盘中央,避免泡沫溅入抗烧罐中,记录抗烧罐放置到油盘中央至持续火焰布满整个油盘的时间即为抗烧时间。







附录B(资料性) 泡沫液的包装
B.1 包装容器的形状和容积
泡沫液的包装容器为长方体或圆柱体,包装容积包括25L、200L和1000L等。其中,容积为25L的包装容器灌装开口内径不小于40mm,容积为200L的包装容器灌装开口内径不小于75mm,容积为1000L的包装容器灌装开口内径不小于150mm。
泡沫液的包装容器在运输、搬运等过程中保持密封。
B.2 包装容器的材质和颜色
泡沫液的包装容器对其包装产品的性能没有不良影响。包装容器的材质具有密度小、质量轻、不生锈、耐磨和耐撞击的特性,典型材质为高密度聚乙烯(HDPE)。包装容器以颜色区分不同分类的泡沫液。其中,成膜型泡沫液包装容器为蓝色,蛋白型泡沫液包装容器为黑色,抗溶(抗醇)性泡沫液包装容器为绿色,其他分类的泡沫液包装容器采用除上述三种颜色以外的颜色。
本站除声明原创之外均来自网络,旨在传递更多消防常识,如有倾权,联系删除。发布者:就爱消防网,本文地址:https://ixiaofang.com/14186.html
